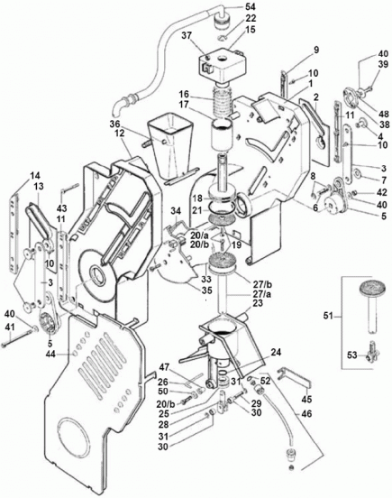
Beschreibung
Der Kaffeeauslauf wird oben auf den Mikrobrüher geschraubt und befördert den heißen Kaffee bis zur Ausgabe direkt in Ihren Becher.
Passend für Geräte mit der Bezeichnung:
- Barista PB
- XX PB
Rheavendors, Rheaprojects & Servomat Steigler
Aktuell sind viele Automaten der Rhea Vendors Group im Umlauf. Ältere Modelle tragen oft den Namen Rheaprojects oder sprechen von der Rhea Projects Group. In Deutschland hört man auch gelegentlich den Namen des Generalimporteurs Servomat Steigler. Alle diese Maschinen sind in der Regel baugleich und es können die gleichen Ersatzteile bestellt werden.
Natürlich gibt es auch noch eine nicht geringe Zahl an gebrandeten Kaffeevollautomaten, wie die der Marke Nescafé und anderen großen Kaffeeröstereien oder Operating Unternehmen. Auch hier können Sie in der Regel mit den gleichen Bauteilen rechnen.
Technische Beratung
Bei Fragen zu Ersatzteilen stehen wir Ihnen gerne unter folgender Telefonnummer zur Verfügung: 0241 – 47599048

